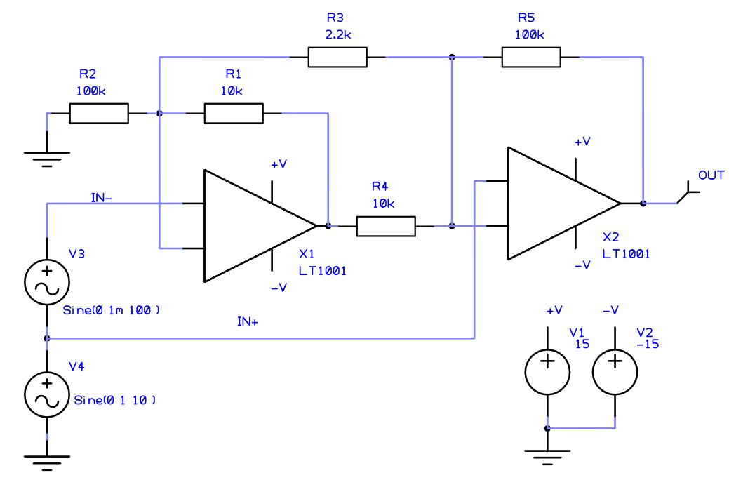
Definieren Sie über die integrierte Schnittstelle Analysemodi, fügen Sie Stimuli und Sonden hinzu, verknüpfen Sie Spice-Modelle mit Ihren Bibliotheksbauteilen und simulieren Sie anschließend Ihre Schaltung – alles in der Pulsonix-Umgebung.

Nutzen Sie dieselbe Bibliothek für Simulation, Schaltplanerfassung und PCB-Design. Sie benötigen keine zusätzlichen oder separaten Bibliotheken für den Wechsel zwischen den einzelnen Prozessen.

Stimuli und Sonden stehen Ihnen für Ihr Pulsonix-Design zur Verfügung. Zusammen mit den Analysemodi und Simulationsparametern steuern diese den Simulator.

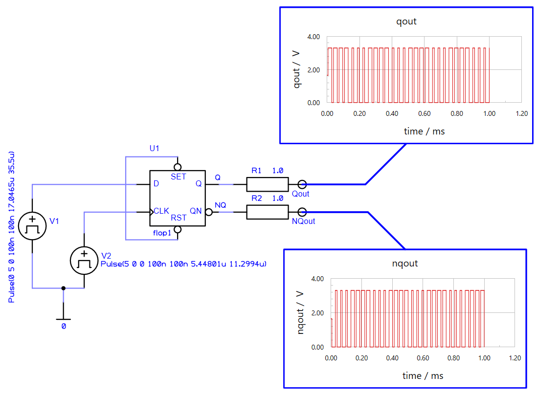
Diagramme im Design
Diagramme können als Diagrammfenster im Design oder als Volldiagrammfenster definiert werden. Diagramme im Design können an beliebiger Stelle in Ihrem Design positioniert, gespeichert und zu Dokumentationszwecken verwendet werden.

Monte-Carlo-Analyse
Monte-Carlo- und Stufenanalysen lassen sich einfach in den Simulationsparametern definieren, wobei die Kondensator- und Widerstandstoleranzen sowie die Match-Toleranzen global eingestellt werden.

Analysequellen
Fügen Sie im Simulationsmenü Quellen für Leistung, Wellenformgeneratoren und mehr hinzu. Zusätzliche Spice-Daten zur Verbesserung des Engine-Treibers können hinzugefügt werden, um die Ausgabe zu parametrisieren.

Überzeugen Sie sich von der einfachen, übersichtlichen und intuitiven Bedienung der PULSONIX EDA Software.
Bestellen Sie noch heute die kostenlose Demolizenz.
Wir bieten regelmässig online Webinare an, in denen wir die Software vorstellen.
Lassen auch Sie sich von diesem hervorragenden und kostengünstigen Produkt überzeugen und melden Sie sich an.
Donnerstag 15 Uhr und Freitags 11 Uhr
Senden Sie Ihre Anmeldung an:
oder rufen Sie uns an:
+49 241 56 30 23
© 2022-2025 Peschges Variometer GmbH. All Rights Reserved.
Kontakt |
Produkte |
Service |
Über uns |